陶瓷霧化片 Atomization Piece
陶瓷晶振 Ceramic SMD crystal
陶瓷濾波器 CeramicFilter
聲表面濾波器|諧振器 SAW filter
千赫晶體KHZ KHz Crystal
石英晶振 Quartz Crystal
貼片晶振 SMD crystal
NJR晶振
應達利晶振
日本大真空晶體 KDS晶振
精工晶振 SEIKO晶體
日本村田陶瓷晶振
西鐵城晶振 CITIZEN晶振
愛普生晶振 EPSON晶振
NSK晶振 NSK晶振
大河晶振 大河晶振
CTS晶振 美國CTS晶振
TXC晶振 TXC晶振
鴻星晶振 鴻星晶振
加高晶振 加高晶振
百利通亞陶晶振 百利通亞陶晶振
泰藝晶振 泰藝晶振
京瓷晶振 京瓷晶振
NDK晶振 NDK晶振
希華晶振 希華晶振
富士晶振 富士晶振
MERCURY晶振
NAKA晶振
SMI晶振
安基晶振
NKG晶振
Renesas瑞薩晶振
ITTI晶振
CTS晶振
Abracon晶振
微晶晶振
瑞康晶振
FOX晶振
Statek晶振
ECS晶振
IDT晶振
高利奇晶振
SiTime晶振
日蝕晶振
康納溫菲爾德晶振
Jauch晶振
維管晶振
拉隆晶振
格林雷晶振
Pletronics晶振
AEK晶振
AEL晶振
Cardinal晶振
Crystek晶振
Euroquartz晶振
Frequency晶振
GEYER晶振
ILSI晶振
KVG晶振
MMDCOMP晶振
MtronPTI晶振
QANTEK晶振
QuartzCom晶振
QuartzChnik晶振
SUNTSU晶振
Transko晶振
WI2WI晶振
韓國三呢晶振
ARGO晶振
ACT晶振
Milliren晶振
韓國Lihom晶振
rubyquartz晶振
美國Oscilent晶振
韓國SHINSUNG晶振
PDI晶振
C-TECH晶振
IQD晶振
Microchip晶振
Fortiming晶振
CORE晶振
NIPPON晶振
NIC晶振
QVS晶振
Bomar晶振
Bliley晶振
GED晶振
FILTRONETICS晶振
STD晶振
Q-Tech晶振
Anderson晶振
Wenzel晶振
NEL晶振
EM晶振
德國PETERMANN晶振
荷蘭FCD-Tech晶體
HEC晶振
FMI晶振
Macrobizes晶振
德國AXTAL晶振
Silicon晶振
SKYWORKS晶振
石英晶體振蕩器 石英晶體振蕩器
壓控晶振 壓控晶振
溫補晶振 溫補晶振
壓控溫補晶振 壓控溫補晶振
恒溫晶振 恒溫晶振
差分晶振 差分晶振
32.768K有源晶振 32.768K有源晶振
座機: 0755-27876565
手機: 18924600166
E-mail:yijindz@163.com
QQ:857950243
地址:深圳市寶安區新安107國道旁甲岸路
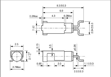
CMJ206T進口西鐵城晶振,蛙角晶振型號,石英晶體使用特點,CMJ206T32768EZFT

| 項目 | 記 號 | CMJ206T | 條 件 |
| 頻率 | f_nom | 32.768KHZ | |
| 頻率容許偏差 | f_tol | ±20x10−6, ±50x10−6 | |
| 頂點溫度 | Ti | +25±5°C | |
| 二級溫度系數 | B | (−3.5±1.0)x10−8/°C2 | |
| 負載容量 | CL | 7.0pF/9.0pF/12.5pF | |
| 串聯電阻 | R1 | 65kÙ 最大值 | |
| 絕對最大激勵等級 | DLmax. | 1μW | |
| 推薦激勵等級 | DL | 0.1μW | |
| 并聯電容 | C0 | 0.8pF 典型值 | |
| 頻率老化程度 | f_age | ±3x10-6 | +25±3°C,第一年 |
| 保存溫度范圍 | T_use | -55°C~+125°C | |
| 工作溫度范圍 | T_stg | -40°C~+85°C | 單件保管 |
.jpg)
.jpg)
.jpg)
西鐵城晶體具有多種振動模式,如基頻, 3次泛音,5次泛音等等.當基頻模式應用時,"CMJ206T32768EZFT",晶體的電阻是最低的,這意味著它是最簡單的晶體振蕩.當第三色調模式被應用,一個放大電路必須被利用以降低基本模式的頻率反饋到所述延伸小于所述第三音調模式.因此,如果頻率是只有三分之一的目標頻率時,要檢查是否放大處理電路被施加或它的設定值就足夠了,因為電路的環境適合于基本模式,而不是第三次泛音調模式.該電路可能不振蕩,如果放大電路不施加或它的設定值是不足夠的.

"CMJ206T32768EZFT", 西鐵城晶體科技本于‘善盡企業責任、降低環境沖擊、提升員工健康’的理念,執行各項環境及職業安全衛生管理工作;落實公司環安衛政策要求使環境暨安全衛生管理成效日益顯著,不僅符合國內環保、勞安法令要求,同時也能達到國際環保、安全衛生標準.
西鐵城科技股份有限公司藉由環境/安衛管理系統的推動執行,以整合內部資源,奠定經營管理的基礎.藉執行環境考量面/安衛危害鑒別作業,環境/安衛管理方案和內部稽核為手段,合理化推動環境/安衛管理,落實環境/安衛系統有效實施.并不斷透過教育訓練灌輸員工環境/安衛觀念及意識,藉由改善公司制程以達到污染預防、工業減廢、安全與衛生、符合法規要求使企業永續發展減少環境/安衛負擔,并滿足客戶需求,獲得客戶的信賴而努力.
.jpg)
聯系人:黃娜SHENZHEN YIJIN ELECTRONICS CO;LTD
電話:0755-27876565
手機:18924600166
QQ:857950243
郵箱:yijindz@163.com
網站://hikefu.cn
地址:廣東省深圳市寶安區新安107國道旁




.jpg)
