陶瓷霧化片 Atomization Piece
陶瓷晶振 Ceramic SMD crystal
陶瓷濾波器 CeramicFilter
聲表面濾波器|諧振器 SAW filter
千赫晶體KHZ KHz Crystal
石英晶振 Quartz Crystal
貼片晶振 SMD crystal
NJR晶振
應達利晶振
日本大真空晶體 KDS晶振
精工晶振 SEIKO晶體
日本村田陶瓷晶振
西鐵城晶振 CITIZEN晶振
愛普生晶振 EPSON晶振
NSK晶振 NSK晶振
大河晶振 大河晶振
CTS晶振 美國CTS晶振
TXC晶振 TXC晶振
鴻星晶振 鴻星晶振
加高晶振 加高晶振
百利通亞陶晶振 百利通亞陶晶振
泰藝晶振 泰藝晶振
京瓷晶振 京瓷晶振
NDK晶振 NDK晶振
希華晶振 希華晶振
富士晶振 富士晶振
MERCURY晶振
NAKA晶振
SMI晶振
安基晶振
NKG晶振
Renesas瑞薩晶振
ITTI晶振
CTS晶振
Abracon晶振
微晶晶振
瑞康晶振
FOX晶振
Statek晶振
ECS晶振
IDT晶振
高利奇晶振
SiTime晶振
日蝕晶振
康納溫菲爾德晶振
Jauch晶振
維管晶振
拉隆晶振
格林雷晶振
Pletronics晶振
AEK晶振
AEL晶振
Cardinal晶振
Crystek晶振
Euroquartz晶振
Frequency晶振
GEYER晶振
ILSI晶振
KVG晶振
MMDCOMP晶振
MtronPTI晶振
QANTEK晶振
QuartzCom晶振
QuartzChnik晶振
SUNTSU晶振
Transko晶振
WI2WI晶振
韓國三呢晶振
ARGO晶振
ACT晶振
Milliren晶振
韓國Lihom晶振
rubyquartz晶振
美國Oscilent晶振
韓國SHINSUNG晶振
PDI晶振
C-TECH晶振
IQD晶振
Microchip晶振
Fortiming晶振
CORE晶振
NIPPON晶振
NIC晶振
QVS晶振
Bomar晶振
Bliley晶振
GED晶振
FILTRONETICS晶振
STD晶振
Q-Tech晶振
Anderson晶振
Wenzel晶振
NEL晶振
EM晶振
德國PETERMANN晶振
荷蘭FCD-Tech晶體
HEC晶振
FMI晶振
Macrobizes晶振
德國AXTAL晶振
Silicon晶振
SKYWORKS晶振
石英晶體振蕩器 石英晶體振蕩器
壓控晶振 壓控晶振
溫補晶振 溫補晶振
壓控溫補晶振 壓控溫補晶振
恒溫晶振 恒溫晶振
差分晶振 差分晶振
32.768K有源晶振 32.768K有源晶振
座機: 0755-27876565
手機: 18924600166
E-mail:yijindz@163.com
QQ:857950243
地址:深圳市寶安區新安107國道旁甲岸路
瑞薩差分晶振,XUL735125.000000X,6G通信設備晶振

瑞薩差分晶振,XUL735125.000000X,6G通信設備晶振,瑞薩差分晶振,XU進口有源晶振,XUL735125.000000X晶振,LVDS晶振,7050mm晶振,石英貼片晶振,頻率125MHz,電壓3.3V,頻率穩定性50ppm,工作溫度-20~70°C,低抖動晶振,耐高溫晶振,6G通信設備晶振,智能家居晶振,全球定位系統晶振,無線網絡晶振.
瑞薩差分晶振,XUL735125.000000X,6G通信設備晶振特點:
•頻率范圍:0.016MHz至1500MHz[1]
•輸出類型:LVDS, LVPECL, HCSL, LVCMOS
•供電電壓選項:1.8V, 2.5V,或3.3V
•相位抖動(1.875MHz至20MHz): 100fs典型
•相位抖動(12kHz至20MHz): 300fs典型
•包裝選項:
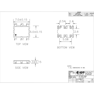
•5.0 × 3.2 × 1.2毫米
•7.0 × 5.0 × 1.3 mm
•工作溫度:-20℃~ +70℃
•頻率穩定性選項:±20,±25,±50,或±100 ppm
•工作溫度:-40°C至+85°C
•頻率穩定性選項:±25,±50,或±100 ppm
•工作溫度:-40°C至+105°C
•頻率穩定性選項:±50或±100 ppm

瑞薩差分晶振,XUL735125.000000X,6G通信設備晶振規格表
| 項目 | 符號 | 規格說明 | 條件 |
| 額定頻率 | f_nom | 125MHz | 請聯系我們以便獲取其它可用頻率的相關信息 |
| 電源電壓 | Vcc | 3.3V±0.3V | |
| 儲存溫度 | T_stg | -55℃~+125℃ | 裸存 |
| 工作溫度 | T_use | -20℃~ +70℃ | |
| 頻率公差(標準) | f_tol | ±50ppm | +25℃,超出標準的規格說明請聯系我們以便獲取相關信息 |
| 供電電流 | IDD | 97mA Max | LVDS |
| 差分輸出電壓 | VOD | 0.5V Max | VDD = 3.3V ±5%. |
| 對稱性 | SYM | 45%~55% |
|
| 輸出負載 | 100Ω | LVDS Differential. | |
| 輸入電壓 | VIH | 70%VDD Min | LVDS |
| VIL | 30%VDD Max | ||
| 上升下降時間 | tr/tf | 380ps Max | LVDS 20% to 80% Vpk-pk. |
| 起始時間 | t str | 10ms Max | VDD達到最小指定水平后輸出有效時間 |
| 相位抖動 | tpj | 400 fs Typ | 12KHZ~20MHz |
| 老化 | f_aging | ±1ppm/year | +25℃,第一年 |
.jpg)
瑞薩差分晶振,XUL735125.000000X,6G通信設備晶振尺寸圖
| 原廠編碼 | 品牌 | 型號 | 頻率 | 輸出 | 電壓 |
| XUL535100.000000I | Renesas Electronics America Inc | XU | 100 MHz | LVDS | 3.3V |
| XUL516100.000000I | Renesas Electronics America Inc | XU | 100 MHz | LVDS | 1.8V |
| XUN535100.000000I | Renesas Electronics America Inc | XU | 100 MHz | HCSL | 3.3V |
| XUL536100.000000I | Renesas Electronics America Inc | XU | 100 MHz | LVDS | 3.3V |
| XUL536125.000000I | Renesas Electronics America Inc | XU | 125 MHz | LVDS | 3.3V |
| XUL736100.000000I | Renesas Electronics America Inc | XU | 100 MHz | LVDS | 3.3V |
| XUL536156.250000I | Renesas Electronics America Inc | XU | 156.25 MHz | LVDS | 3.3V |
| XUL736150.000000I | Renesas Electronics America Inc | XU | 150 MHz | LVDS | 3.3V |
| XUH518027.120000X | Renesas Electronics America Inc | XU | 27.12 MHz | HCMOS | 1.8V |
| XUH538024.576000X | Renesas Electronics America Inc | XU | 24.576 MHz | HCMOS | 3.3V |
| XUH738016.125000X | Renesas Electronics America Inc | XU | 16.125 MHz | HCMOS | 3.3V |
| XUH738044.736000X | Renesas Electronics America Inc | XU | 44.736 MHz | HCMOS | 3.3V |
| XUH518033.333333X | Renesas Electronics America Inc | XU | 33.333333 MHz | HCMOS | 1.8V |
| XUH738025.000000X | Renesas Electronics America Inc | XU | 25 MHz | HCMOS | 3.3V |
| XUH738072.000000X | Renesas Electronics America Inc | XU | 72 MHz | HCMOS | 3.3V |
| XUH738022.579200X | Renesas Electronics America Inc | XU | 22.5792 MHz | HCMOS | 3.3V |
| XUH538027.000000X | Renesas Electronics America Inc | XU | 27 MHz | HCMOS | 3.3V |
| XUH538022.579200X | Renesas Electronics America Inc | XU | 22.5792 MHz | HCMOS | 3.3V |
| XUH728025.000000X | Renesas Electronics America Inc | XU | 25 MHz | HCMOS | 2.5V |
| XUH728020.000000X | Renesas Electronics America Inc | XU | 20 MHz | HCMOS | 2.5V |
| XUH538013.000000X | Renesas Electronics America Inc | XU | 13 MHz | HCMOS | 3.3V |
| XUH728016.125000X | Renesas Electronics America Inc | XU | 16.125 MHz | HCMOS | 2.5V |
| XUH538067.108864X | Renesas Electronics America Inc | XU | 67.108864 MHz | HCMOS | 3.3V |
| XUH538125.000000X | Renesas Electronics America Inc | XU | 125 MHz | HCMOS | 3.3V |
| XUH535004.000000X | Renesas Electronics America Inc | XU | 4 MHz | LVCMOS | 3.3V |
| XUH735033.333000X | Renesas Electronics America Inc | XU | 33.333 MHz | LVCMOS | 3.3V |
| XUH730060.000000X | Renesas Electronics America Inc | XU | 60 MHz | LVCMOS | 3.3V |
| XUH730080.000000I | Renesas Electronics America Inc | XU | 80 MHz | LVCMOS | 3.3V |
| XUH736030.720000X | Renesas Electronics America Inc | XU | 30.72 MHz | LVCMOS | 3.3V |
| XUH515045.125000I | Renesas Electronics America Inc | XU | 45.125 MHz | LVCMOS | 1.8V |
| XUH525125.000000I | Renesas Electronics America Inc | XU | 125 MHz | LVCMOS | 2.5V |
| XUH715066.600000I | Renesas Electronics America Inc | XU | 66.6 MHz | LVCMOS | 1.8V |
| XUH715040.000000X | Renesas Electronics America Inc | XU | 40 MHz | LVCMOS | 1.8V |
| XUH736033.000000I | Renesas Electronics America Inc | XU | 33 MHz | LVCMOS | 3.3V |
| XUH716050.000000I | Renesas Electronics America Inc | XU | 50 MHz | LVCMOS | 1.8V |
| XUH516033.333300I | Renesas Electronics America Inc | XU | 33.3333 MHz | LVCMOS | 1.8V |
| XUH536090.000000I | Renesas Electronics America Inc | XU | 90 MHz | LVCMOS | 3.3V |
| XUX735080.000000X | Renesas Electronics America Inc | XU | 80 MHz | HCMOS | 3.3V |
| XUH536005.000000I8 | Renesas Electronics America Inc | XU | 5 MHz | LVCMOS | 3.3V |
| XUJ730080.000000X | Renesas Electronics America Inc | XU | 80 MHz | LVCMOS | 3.3V |
| XUL530039.000000X | Renesas Electronics America Inc | XU | 39 MHz | LVDS | 3.3V |
| XUH516012.000000I | Renesas Electronics America Inc | XU | 12 MHz | LVCMOS | 1.8V |
| XUH515100.000000K | Renesas Electronics America Inc | XU | 100 MHz | LVCMOS | 1.8V |
| XUH715024.000000K | Renesas Electronics America Inc | XU | 24 MHz | LVCMOS | 1.8V |
| XUH535008.000000K | Renesas Electronics America Inc | XU | 8 MHz | LVCMOS | 3.3V |
| XUH535025.000000K | Renesas Electronics America Inc | XU | 25 MHz | LVCMOS | 3.3V |
| XUL515644.530000I | Renesas Electronics America Inc | XU | 644.53 MHz | LVDS | 1.8V |
| XUL526644.530000I | Renesas Electronics America Inc | XU | 644.53 MHz | LVDS | 2.5V |
| XUH738020.000000X | Renesas Electronics America Inc | XU | 20 MHz | HCMOS | 3.3V |
| XUH538010.000000X | Renesas Electronics America Inc | XU | 10 MHz | HCMOS | 3.3V |
| XUH538020.000000X | Renesas Electronics America Inc | XU | 20 MHz | HCMOS | 3.3V |
| XUH538040.000000X | Renesas Electronics America Inc | XU | 40 MHz | HCMOS | 3.3V |
| XUH535003.686000I | Renesas Electronics America Inc | XU | 3.686 MHz | LVCMOS | 3.3V |
| XUH510100.000000X | Renesas Electronics America Inc | XU | 100 MHz | HCMOS | 1.8V |
| XUH535000.127700K | Renesas Electronics America Inc | XU | 127.7 kHz | HCMOS | 3.3V |
| XUH535000.050000X | Renesas Electronics America Inc | XU | 50 kHz | HCMOS | 3.3V |
| XUH515020.000000K | Renesas Electronics America Inc | XU | 20 MHz | HCMOS | 1.8V |
| XUH535025.000000X | Renesas Electronics America Inc | XU | 25 MHz | HCMOS | 3.3V |
| XUH735027.115000X | Renesas Electronics America Inc | XU | 27.115 MHz | HCMOS | 3.3V |
| XUH535100.000000X | Renesas Electronics America Inc | XU | 100 MHz | HCMOS | 3.3V |
| XUH735027.000000X | Renesas Electronics America Inc | XU | 27 MHz | HCMOS | 3.3V |
| XUH535000.192000X | Renesas Electronics America Inc | XU | 192 kHz | HCMOS | 3.3V |
| XUH735048.000000X | Renesas Electronics America Inc | XU | 48 MHz | HCMOS | 3.3V |
| XUH735050.000000X | Renesas Electronics America Inc | XU | 50 MHz | HCMOS | 3.3V |
| XUH730049.700000X | Renesas Electronics America Inc | XU | 49.7 MHz | HCMOS | 3.3V |
| XUL535644.531250I | Renesas Electronics America Inc | XU | 644.53125 MHz | LVDS | 3.3V |
| XUH535017.177600X | Renesas Electronics America Inc | XU | 17.1776 MHz | HCMOS | 3.3V |
| XUH535048.000000X | Renesas Electronics America Inc | XU | 48 MHz | HCMOS | 3.3V |
| XUH730004.800000X | Renesas Electronics America Inc | XU | 4.8 MHz | HCMOS | 3.3V |
| XUH510133.333000X | Renesas Electronics America Inc | XU | 133.333 MHz | HCMOS | 1.8V |
| XUH535000.042000X | Renesas Electronics America Inc | XU | 42 kHz | HCMOS | 3.3V |
| XUH535024.000000X | Renesas Electronics America Inc | XU | 24 MHz | HCMOS | 3.3V |
| XUH535012.000000X | Renesas Electronics America Inc | XU | 12 MHz | HCMOS | 3.3V |
| XUH525010.000000X | Renesas Electronics America Inc | XU | 10 MHz | HCMOS | 2.5V |
| XUH535000.044000X | Renesas Electronics America Inc | XU | 44 kHz | HCMOS | 3.3V |
| XUH535000.096000X | Renesas Electronics America Inc | XU | 96 kHz | HCMOS | 3.3V |
| XUH525024.000000X | Renesas Electronics America Inc | XU | 24 MHz | HCMOS | 2.5V |
| XUH530000.460800X | Renesas Electronics America Inc | XU | 460.8 kHz | HCMOS | 3.3V |
| XUH715125.000000X | Renesas Electronics America Inc | XU | 125 MHz | LVCMOS | 1.8V |
| XUH530000.032768X | Renesas Electronics America Inc | XU | 32.768 kHz | LVCMOS | 3.3V |
| XUJ715033.000000I | Renesas Electronics America Inc | XU | 33 MHz | LVCMOS | 1.8V |
| XUX730080.000000I | Renesas Electronics America Inc | XU | 80 MHz | HCMOS | 3.3V |
| XUJ735100.000000I | Renesas Electronics America Inc | XU | 100 MHz | LVCMOS | 3.3V |
| XUH518090.000000X | Renesas Electronics America Inc | XU | 90 MHz | LVCMOS | 1.8V |
| XUL735100.016000I | Renesas Electronics America Inc | XU | 100.016 MHz | LVDS | 3.3V |
| XUL535075.000000I | Renesas Electronics America Inc | XU | 75 MHz | LVDS | 3.3V |
| XUH518033.000000X | Renesas Electronics America Inc | XU | 33 MHz | LVCMOS | 1.8V |
| XUL715033.330000I | Renesas Electronics America Inc | XU | 33.33 MHz | LVDS | 1.8V |
| XUH518124.000000X | Renesas Electronics America Inc | XU | 124 MHz | LVCMOS | 1.8V |
| XUP736050.000000X | Renesas Electronics America Inc | XU | 50 MHz | LVPECL | 3.3V |
| XUH716066.666000I | Renesas Electronics America Inc | XU | 66.666 MHz | HCMOS | 1.8V |
| XUN535100.000000X | Renesas Electronics America Inc | XU | 100 MHz | HCSL | 3.3V |
| XUH516125.000000I | Renesas Electronics America Inc | XU | 125 MHz | HCMOS | 1.8V |
| XUM520125.000000X | Renesas Electronics America Inc | XU | 125 MHz | LVDS | 2.5V |
| XUP535024.576000X | Renesas Electronics America Inc | XU | 24.576 MHz | LVPECL | 3.3V |
| XUH526024.000000I | Renesas Electronics America Inc | XU | 24 MHz | HCMOS | 2.5V |
| XUP735114.866667X | Renesas Electronics America Inc | XU | 114.866667 MHz | LVPECL | 3.3V |
| XUL730100.000000X | Renesas Electronics America Inc | XU | 100 MHz | LVDS | 3.3V |
| XUP735025.000000X | Renesas Electronics America Inc | XU | 25 MHz | LVPECL | 3.3V |
| XUP535100.000000X | Renesas Electronics America Inc | XU | 100 MHz | LVPECL | 3.3V |
| XUH715133.333333I | Renesas Electronics America Inc | XU | 133.333333 MHz | HCMOS | 1.8V |
| XUL525100.000000X | Renesas Electronics America Inc | XU | 100 MHz | LVDS | 2.5V |
| XUH526016.384000I | Renesas Electronics America Inc | XU | 16.384 MHz | HCMOS | 2.5V |
| XUL735125.000000X | Renesas Electronics America Inc | XU | 125 MHz | LVDS | 3.3V |
| XUP735125.000000X | Renesas Electronics America Inc | XU | 125 MHz | LVPECL | 3.3V |
| XUH536100.000000I | Renesas Electronics America Inc | XU | 100 MHz | HCMOS | 3.3V |
| XUP535075.000000X | Renesas Electronics America Inc | XU | 75 MHz | LVPECL | 3.3V |
| XUO535027.000000X | Renesas Electronics America Inc | XU | 27 MHz | HCSL | 3.3V |
| XUH516033.333333I | Renesas Electronics America Inc | XU | 33.333333 MHz | HCMOS | 1.8V |
| XUH516024.000000I | Renesas Electronics America Inc | XU | 24 MHz | LVCMOS | 1.8V |
| XUH516026.000000I | Renesas Electronics America Inc | XU | 26 MHz | LVCMOS | 1.8V |
| XUH716019.440000I | Renesas Electronics America Inc | XU | 19.44 MHz | LVCMOS | 1.8V |
| XUH516031.250000I | Renesas Electronics America Inc | XU | 31.25 MHz | LVCMOS | 1.8V |
| XUH535133.300000I | Renesas Electronics America Inc | XU | 133.3 MHz | LVCMOS | 3.3V |
| XUH516000.032768I | Renesas Electronics America Inc | XU | 32.768 kHz | LVCMOS | 1.8V |
| XUL535156.250000I | Renesas Electronics America Inc | XU | 156.25 MHz | LVDS | 3.3V |
| XUH735054.000000K | Renesas Electronics America Inc | XU | 54 MHz | LVCMOS | 3.3V |
| XUH515033.000000K | Renesas Electronics America Inc | XU | 33 MHz | LVCMOS | 1.8V |
| XUH510025.000000K | Renesas Electronics America Inc | XU | 25 MHz | LVCMOS | 1.8V |
| XUQ736341.796875I | Renesas Electronics America Inc | XU | 341.796875 MHz | LVPECL | 3.3V |
| XUQ736328.125000I | Renesas Electronics America Inc | XU | 328.125 MHz | LVPECL | 3.3V |
| XUH736100.000000I | Renesas Electronics America Inc | XU | 100 MHz | HCMOS | 3.3V |
| XUM736400.000000I | Renesas Electronics America Inc | XU | 400 MHz | LVDS | 3.3V |
| XUL736380.000000I | Renesas Electronics America Inc | XU | 380 MHz | LVDS | 3.3V |
| XUL538750.000000X | Renesas Electronics America Inc | XU | 750 MHz | LVDS | 3.3V |
| XUL735208.125000K | Renesas Electronics America Inc | XU | 208.125 MHz | LVDS | 3.3V |
| XUH738050.000000X | Renesas Electronics America Inc | XU | 50 MHz | LVCMOS | 3.3V |
| XUL736019.440000X | Renesas Electronics America Inc | XU | 19.44 MHz | LVDS | 3.3V |
| XUL730004.000000I | Renesas Electronics America Inc | XU | 4 MHz | LVDS | 3.3V |
| XUL510125.000000I | Renesas Electronics America Inc | XU | 125 MHz | LVDS | 1.8V |
| XUQ735125.000000I | Renesas Electronics America Inc | XU | 125 MHz | LVPECL | 3.3V |
| XUJ720010.000000I | Renesas Electronics America Inc | XU | 10 MHz | LVCMOS | 2.5V |
| XUJ726110.000000X | Renesas Electronics America Inc | XU | 110 MHz | LVCMOS | 2.5V |
| XUP735133.330000X | Renesas Electronics America Inc | XU | 133.33 MHz | LVPECL | 3.3V |
| XUL725050.000000I | Renesas Electronics America Inc | XU | 50 MHz | LVDS | 2.5V |
| XUH538033.000000X | Renesas Electronics America Inc | XU | 33 MHz | LVCMOS | 3.3V |
| XUH738045.158400X | Renesas Electronics America Inc | XU | 45.1584 MHz | LVCMOS | 3.3V |
| XUH518001.843200X | Renesas Electronics America Inc | XU | 1.8432 MHz | LVCMOS | 1.8V |
| XUX515024.000000I | Renesas Electronics America Inc | XU | 24 MHz | HCMOS, LVCMOS | 1.8V |
| XUL538098.304000X | Renesas Electronics America Inc | XU | 98.304 MHz | LVDS | 3.3V |
| XUH518031.250000X | Renesas Electronics America Inc | XU | 31.25 MHz | LVCMOS | 1.8V |
| XUH536025.000000I | Renesas Electronics America Inc | XU | 25 MHz | HCMOS | 3.3V |
| XUH536033.333330I | Renesas Electronics America Inc | XU | 33.33333 MHz | HCMOS | 3.3V |
| XUH735140.000000I | Renesas Electronics America Inc | XU | 140 MHz | HCMOS | 3.3V |
| XUH536030.000000I | Renesas Electronics America Inc | XU | 30 MHz | HCMOS | 3.3V |
| XUH536025.001250I | Renesas Electronics America Inc | XU | 25.00125 MHz | HCMOS | 3.3V |
| XUH735148.500000I | Renesas Electronics America Inc | XU | 148.5 MHz | HCMOS | 3.3V |
| XUH516100.000000I | Renesas Electronics America Inc | XU | 100 MHz | HCMOS | 1.8V |
| XUH536025.600000I | Renesas Electronics America Inc | XU | 25.6 MHz | HCMOS | 3.3V |
| XUH526000.828000I | Renesas Electronics America Inc | XU | 828 kHz | HCMOS | 2.5V |
| XUH736025.000000I | Renesas Electronics America Inc | XU | 25 MHz | HCMOS | 3.3V |
| XUH536033.333300I | Renesas Electronics America Inc | XU | 33.3333 MHz | HCMOS | 3.3V |
| XUH736125.000000I | Renesas Electronics America Inc | XU | 125 MHz | HCMOS | 3.3V |
| XUH516030.000000I | Renesas Electronics America Inc | XU | 30 MHz | HCMOS | 1.8V |
| XUH536125.000000I | Renesas Electronics America Inc | XU | 125 MHz | HCMOS | 3.3V |
| XUH536050.000000I | Renesas Electronics America Inc | XU | 50 MHz | HCMOS | 3.3V |
| XUH715133.330000I | Renesas Electronics America Inc | XU | 133.33 MHz | HCMOS | 1.8V |
| XUH716125.000000I | Renesas Electronics America Inc | XU | 125 MHz | HCMOS | 1.8V |
| XUH536000.032768I | Renesas Electronics America Inc | XU | 32.768 kHz | HCMOS | 3.3V |
| XUH536000.050000I | Renesas Electronics America Inc | XU | 50 kHz | HCMOS | 3.3V |
| XUH536010.000000I | Renesas Electronics America Inc | XU | 10 MHz | HCMOS | 3.3V |
| XUH515160.000000I | Renesas Electronics America Inc | XU | 160 MHz | HCMOS | 1.8V |
| XUH535156.250000I | Renesas Electronics America Inc | XU | 156.25 MHz | HCMOS | 3.3V |
| XUH516026.214400I | Renesas Electronics America Inc | XU | 26.2144 MHz | HCMOS | 1.8V |
.jpg)
.jpg)
SHENZHEN YIJIN ELECTRONICS CO;LTD
電話:0755-27876565
手機:18924600166
QQ:857950243
郵箱:yijindz@163.com
網站://hikefu.cn
地址:廣東省深圳市寶安區新安107國道旁




